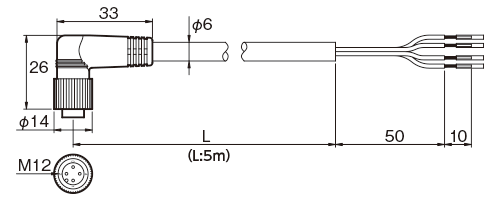
FAC-D4R5L

Dimension

FAC-D4R5L 外形寸法図