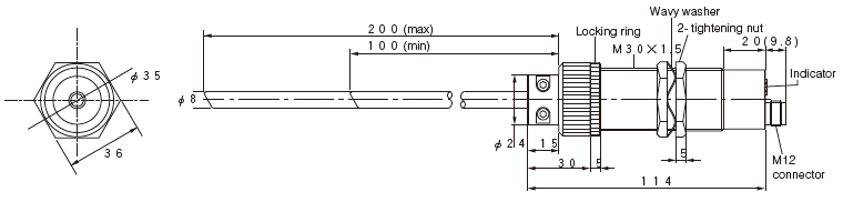
USA-WG08FS

Dimension

USA-WG08FS 外形寸法図