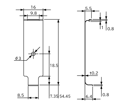
XNE2-P3

外形寸法図

XNE2-P3 外形寸法図