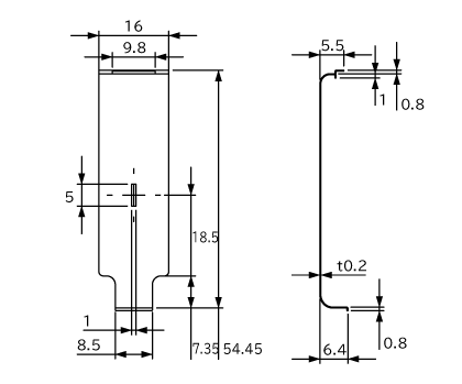
XNE2-P5X1

外形寸法図

XNE2-P5X1 外形寸法図