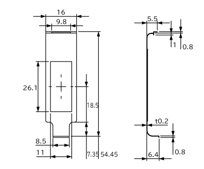
XNE2-PFB

外形寸法図

XNE2-PFB 外形寸法図