F70AK Series
Simplified wiring connection type Fiber optic sensors
- Digital display
- Auto sensitivity setting
- Manual sensitivity setting
- The "new" wire saving connection system compatible with major fiber amplifier models
- Standard・Official Approval
-
F70AK Series Lineups
Feature
Convenient feature
Single power supply feeds up to 16 units
Power can be supplied to all units in one group (up to 16 units) by simply feeding power supply to any single unit through the power/output connector.
Stand alone use is also available.

Innovative mini connector employed
4 types of connector cables available according to input/output function required

Replacement of connector cables simply by detaching and attaching connectors without moving sensors
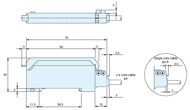
Dimension
Amplifier

With dedicated connector cable attached

Circuit
NPN

PNP

In the condition of load short circuit or overload, the output transistor turns off. Check the load condition before restarting.
Connection diagram

- For simplified wiring, use the dedicated connector cable which is separately sold.
- The connector cable can be attached or detached as amplifiers are joined together without sliding them to either side.
Option
Cable with connector
| Dedicated connector cableF7K-4 |
|
||||||||||||
| Dedicated connector cableF7K-3 |
|
||||||||||||
| Dedicated connector cableF7K-2 |
|
||||||||||||
| Dedicated connector cableF7K-1 |
|


