DLシリーズ
端子台式 ディスタンスセンサ
DLシリーズ ラインナップ
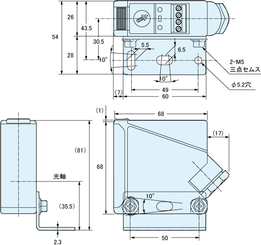
外形寸法図
全機種共通

付属 取付金具装着図

回路図/接続方法
DL-S100TC
DL-S200TC

DL-S100P
DL-S200P


