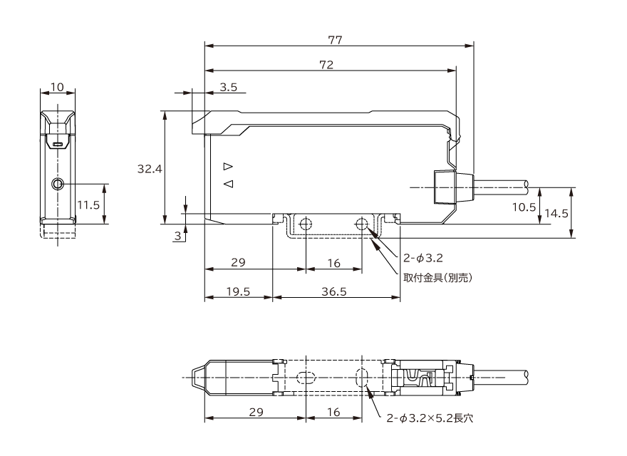
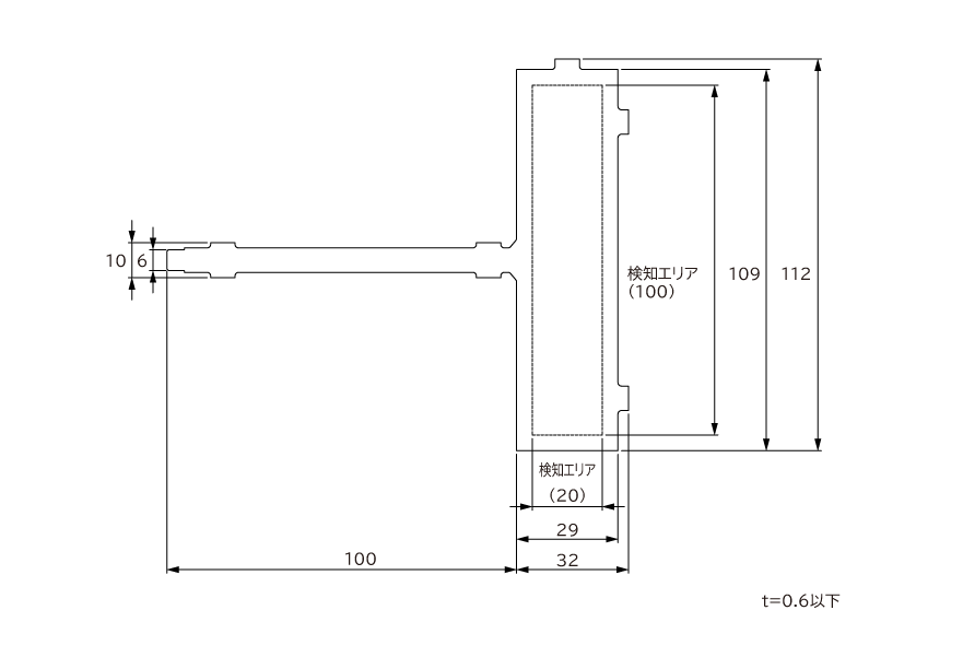
KSS85シリーズ 感圧シートセンサ 貼るだけでワークを確実に検出 取付場所を選ばないシート形状 ワークの色・材質・形状の影響を受けない接触式 外乱光や他のセンサの影響を受けずに安定検出 ダウンロード 製品カタログ KSS85 KSS85「26-27シリーズ分割PDFカタログ」 ラインナップ 特長 外形寸法図 回路図/接続方法 アプリケーション オプション KSS85シリーズ ラインナップ 型式 種類 操作電源 検出方式 検知エリア(mm) 出力モード 動作モード 保護構造 接続方式 標準価格(¥) ダウンロード KSS85 アンプ DC12~24V 接触式 NPN PNP ノ―マリーオープン ノ―マリークローズ IP40 コード引出し式 お問い合わせください KS-100 感圧シート 接触式 20×100 お問い合わせください KS-15 感圧シート 接触式 4×14 お問い合わせください 特長 外形寸法図 KSS85 KS-100 KS-15 回路図/接続方法 接続方法(入出力回路含む) 自動組立 ロボットハンドの把持確認 他の光電センサとの干渉防止に最適 感圧シートセンサ KSS85シリーズ 物流 メッシュパレットの着座確認 光電センサの光りぬけ誤動作の解消に貢献 感圧シートセンサ KSS85シリーズ 半導体 透明度が異なるワークの検出 接触式のため、色の影響を受けずに確実に検出 感圧シートセンサ KSS85シリーズ 搬送・交通 木材の到着確認 壁面に貼るだけで簡単取付 感圧シートセンサ KSS85シリーズ 自動車 トレイ内の工具の有無検出 トレイ内の工具に合わせた取付が可能 感圧シートセンサ KSS85シリーズ 自動組立 ケーブルやチューブの把持確認 グリップ位置が定まらないワークも安定検出 感圧シートセンサ KSS85シリーズ etc. 起動用スイッチ シート形状のため、取付場所を選びません 感圧シートセンサ KSS85シリーズ 搬送・交通 カスタムロボットハンドの把持確認 エリアタイプのため、さまざまなハンドに対応 感圧シートセンサ KSS85シリーズ オプション 取付金具 AC-BF3 種類 取付金具 標準価格(¥) 450