DLNシリーズ
光学式距離可変ディスタンスセンサ
DLNシリーズ ラインナップ
特長
簡単・多用途にご使用できるディスタンスセンサのご提案
バリエーション豊富でコンパクトサイズのディスタンスセンサ
ワークの有無、位置決め、通過検知など、この一台で様々なアプリケーションに対応
ディスタンスセンサの3大特長
- 1 検出物体の色差に強い
- 明るい色、暗い色のワークでも安定検出
- 2 環境に強い
- 微小な汚れ、ホコリが付着しても安定検出
- 3 背景を選ばない
- 背景に応じてBGS/FGSワンタッチ切り替えで安定検出
簡単設定
さまざまな検出物体の変化にもBGS/FGS 切り替えで安定検出を実現 |
![]() |
● BGS(Background Suppression)機能
設定距離より遠くにある背景を検出しない機能。
検出物体の色や背景の影響を受けずに検出するのに最適。
(背景除去:背景物体が無い場合に最適)

● FGS(Foreground Suppression)機能
設定距離より近くにある物体と、反射光量が極端に小さい物体を検出する機能。
検出物体が背景に近接している場合や、光を反射しない物体を検出するのに最適。
(背景認識:設定距離内に背景物体がある場合に最適)



高輝度LEDの採用で明るく照らし狙いやすい
高輝度LEDを採用しており、検出位置をスポット光で明るく照らし、狙いやすくなりました。(当社比) |
![]() |
豊富な検出距離バリエーション
使用距離が明確な場合は、工場出荷時に検出距離が設定されている |
![]() |
場所を選ばない
設備/ 装置への組み込みに困らないコンパクトでしかもディスタンス
インチピッチの汎用光電子センサより、一回りコンパクトサイズでありながら最長100mm の検出距離を実現。コンパクトサイズの為、様々な製造ラインや装置内への組み込みに最適です。 |
![]() |
保守在庫機種数を削減
NPN/PNP 2出力を装置に応じて本体1台で使い分け可能
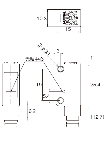
外形寸法図
近距離タイプ/コード引出し式

近距離タイプ/M8コネクタ式

中距離タイプ/コード引出し式

中距離タイプ/M8コネクタ式

回路図/接続方法
接続図

M8コネクタ式のピン配置

半導体
半導体
電子部品実装
電子部品の検出
成形後の部品の検出をします。色が変わってもディスタンスセンサは影響ありません。
印刷
自動組立
家電・OA
鉄鋼・窯業
タイル抜け検出
パレット内のタイル抜けを検出します。
タイルの色が変わっても安定した検出ができます。
繊維
ボビン検出
ディスタンスセンサによりボビンの色や形状が変わっても確実に検出します。
印刷
排紙の浮き上がり検出
排出紙の浮き上がりをディスタンスセンサで色の影響を受けず検出します。
印刷
レタス包装機での吸着検出
検出物体の色・形状の影響を受けにくい距離限定反射形で検出します。
印刷
コンベア上のかまぼこ検出
ワークの色・形状・材質の影響を受けにくい距離限定反射形で検出しています。
etc.
悪環境下でのワーク検出
悪環境下でもレンズの汚れやワークの汚れに強い距離限定反射形で、材料の検出をしています。
etc.
化粧合板の検出
化粧合板はあらゆる色があるので距離限定反射形を使用して材料の位置検出をします。
オプション
取付金具
| BK-001 |
|
||||||||
| GN-B2 |
|
||||||||
| GN-B1 |
|
コネクタ付コード
| FBC-4R2L |
|
||||||||||
| FBC-4R2S |
|






