MWS
マイクロウェーブセンサ
MWS ラインナップ
特長
特長
- 検出面の汚れや付着物、周囲の水蒸気、浮遊粉塵の影響をほとんど受けない
- 検出領域が広いので取付け時の角度調整が不要で角度ずれによる動作不良の心配が皆無
- 高温・高圧下での検出や危険物の検出も可能
- φ 27mm の小さい検出面で取付けが容易
- ねじ取付、またはフランジ取付けができる
- 保護等級IP65 相当の防塵、防噴流水構造
- 送信機にマイクロウェーブの発射を停止させる押しボタン付
- 用途に合わせてワンタッチで検出距離の切り換えが可能
- 商用電源(AC100 又は200V)が使用可能
- 24GHz の採用、小型・軽量
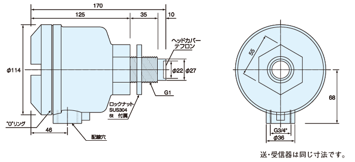
外形寸法図
MWS-ST-11/MWS-ST-2
MWS-SR-11/MWS-SR-2

回路図/接続方法
操作パネル

結線

