UM2シリーズ
ウルトラミニサイズ アンプ内蔵形光電子センサ
UM2シリーズ ラインナップ
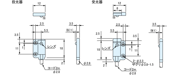
外形寸法図
UM2-T15DT
UM2-T15DTV(センサ部)
UM2-T50DT
UM2-T50DTV(センサ部)

UM2-T50DS
UM2-T50DSV(センサ部)

UM2-R3T
UM2-R3TV ( センサ部)
UM2-R5T
UM2-R5TV( センサ部)

UM2-Z3SV ( センサ部)

SENS.中継ボリウム/PNP 出力変換ユニット

- 透過形は受光器側コードに装備。
- 取り付けは直接ねじ止めしてください。
締め付けトルクは0.1N・m以下としてください。
回路図/接続方法
NPN 出力
UM2-T15DT
UM2-T50DT
UM2-T50DS
UM2-R3T
UM2-R5T

投光器は電源入力(茶:操作電源、青:0V)のみです。
SENS.中継ボリウム付NPN出力
UM2-T15DTV
UM2-T50DTV
UM2-T50DSV
UM2-R3TV
UM2-R5TV
UM2-Z3SV

投光器は電源入力(茶:操作電源、青:0V)のみです。
PNP 出力
UM2-T15DTP
UM2-T50DTP
UM2-T50DSP
UM2-R3TP
UM2-R5TP

中継出力変換ユニットによりPNP オープンコレクタ出力します。
投光器は電源入力(茶:操作電源、青:0V)のみです。
SENS.中継ボリウム付PNP出力
UM2-T15DTVP
UM2-T50DTVP
UM2-T50DSVP
UM2-R3TVP
UM2-R5TVP
UM2-Z3SVP

中継ボリウム出力変換ユニットによりPNP オープンコレクタ出力します。
投光器は電源入力(茶:操作電源、青:0V)のみです。
- 負荷短路や過負荷状態になりますと、出力トランジスタがOFF になります。負荷の状況をご確認の上、電源を再投入してください。

